| 规格 | QTC25-M | QTC25-T | 单位 |
| 机器人端换刀装置 | 刀侧换刀装置 | ||
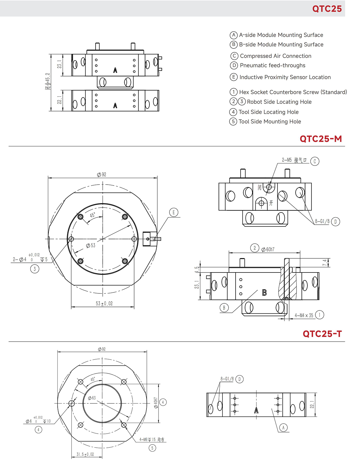
| 重量 | 0.72 | 0.4 | 公斤 |
| 锁定/解锁主连接 | M5 | 锁紧力(0.6MPa)/N | 2500 |
| 有效载荷/公斤 | 25 | 允许温度/°C | 5~60 |
| 重复精度/mm | 0.015 | IPRating(安装时) | 67 |
| 工作气压范围/Mpa | 0.45~0.80 | 气动馈通的数量和特点 | 8×G1/8 |
| 机械自锁 | 标准配置 | 开/关检测 | 可选配置 |
它可以通过标准化接口实现末端执行器(夹具、焊枪、工具等)的二级切换。这增强了生产线的灵活性,减少了设备停机时间,并降低了人工干预成本。冠针式更适合工业环境,高性能探头保证电气模块稳定对接百万次以上;与安费诺航空连接器配合使用,具有快速插拔、快速更换的优点。

付款方式:
50% 应通过 T/T 提前支付。50% 余额在工厂装机前支付。
售后服务
您的好处
在正确使用且非人为损坏的情况下,合同保修期为自您收到设备之日起 24 个月。 如果双方确认为质量问题,则卖方提供新备件或新备件更换,并由FOUK 采取快速快递。
退货服务请联系您的销售代表。
我们的服务
在线指导维修或送回FOUK生产基地维修
换货服务
详细的维护建议
实时维修反馈
24小时总经理热线
你的正确 联系方式 售后服务人员