| 产品属性 | 参数值 | 单位 | |
| 产品代码 | TP63 | ||
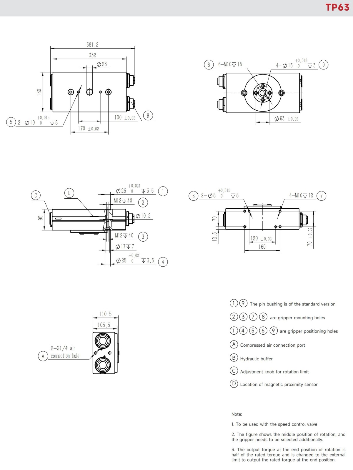
| 缸径 | 63 | 毫米 | |
| 理论扭矩 | 15.6×P | 牛顿·米 | |
| 旋转角度 | 90/180 | ° | |
| 旋转角度调节范围 | ±30 | ° | |
| 产品重量 | 20.15 | 公斤 | |
| 允许旋转时间 | 1.5~6 | s | |
| 最大允许动能 | 25 | J | |
| 传感器类型 | 磁性接近传感器 | ||
| P: 压缩空气压力 [bar] | |||
| 缓冲单元规格 | M45液压缓冲器 | 空气连接口规格 | G1/4 |
| 重复夹持精度/mm | ±0.05 | 使用温度范围/°C | -5~60 |
| 工作气压范围/bar | 3~8个 | 防护等级 | 65 |
| 磁性接近传感器 | |
| D-M9NAL | 磁性,NPN,3 芯3m |
| D-M9PAL | 磁性,PNP,3芯3m |
*每个旋转单元需要两个传感器。两个位置的详细监控请参见传感器附录。
旋转装置系列中,TP产品是一种由压缩空气驱动的万能旋转装置,可实现90°/180°旋转

付款方式:
50% 应通过 T/T 提前支付。50% 余额在工厂装机前支付。
售后服务
您的好处
在正确使用且非人为损坏的情况下,合同保修期为自您收到设备之日起 24 个月。 如果双方确认为质量问题,则卖方提供新备件或新备件更换,并由FOUK 采取快速快递。
退货服务请联系您的销售代表。
我们的服务
在线指导维修或送回FOUK生产基地维修
换货服务
详细的维护建议
实时维修反馈
24小时总经理热线
你的正确 联系方式 售后服务人员